Dodaj produkty podając kody
Dodaj plik CSV
Wpisz kody produktów, które chcesz zbiorczo dodać do koszyka (po przecinku, ze spacją lub od nowej linijki).
Powtórzenie wielokrotnie kodu, doda ten towar tyle razy ile razy występuje.
Przeznaczony do gazów i cieczy nielepkich, niekrystalizujących, które nie działają niszcząco na stopy miedzi.
Zastosowanie
Przyrząd do zamkniętych instalacji grzewczych o Pmax 3 bar.Zielony obszar na tarczy wskazuje optymalny zakres ciśnienia.
Filmy
Marka
Kod IK
Symbol
8063914
Rodzaj towaru
Armatura kontrolno-pomiarowa
EAN
4016203639141
Kod producenta
63914
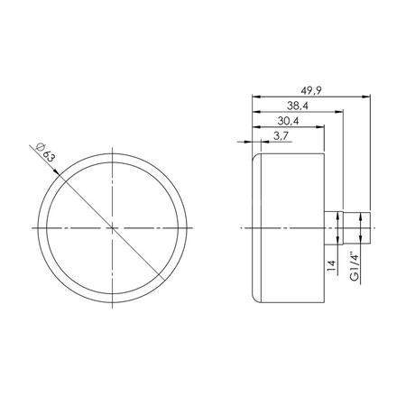
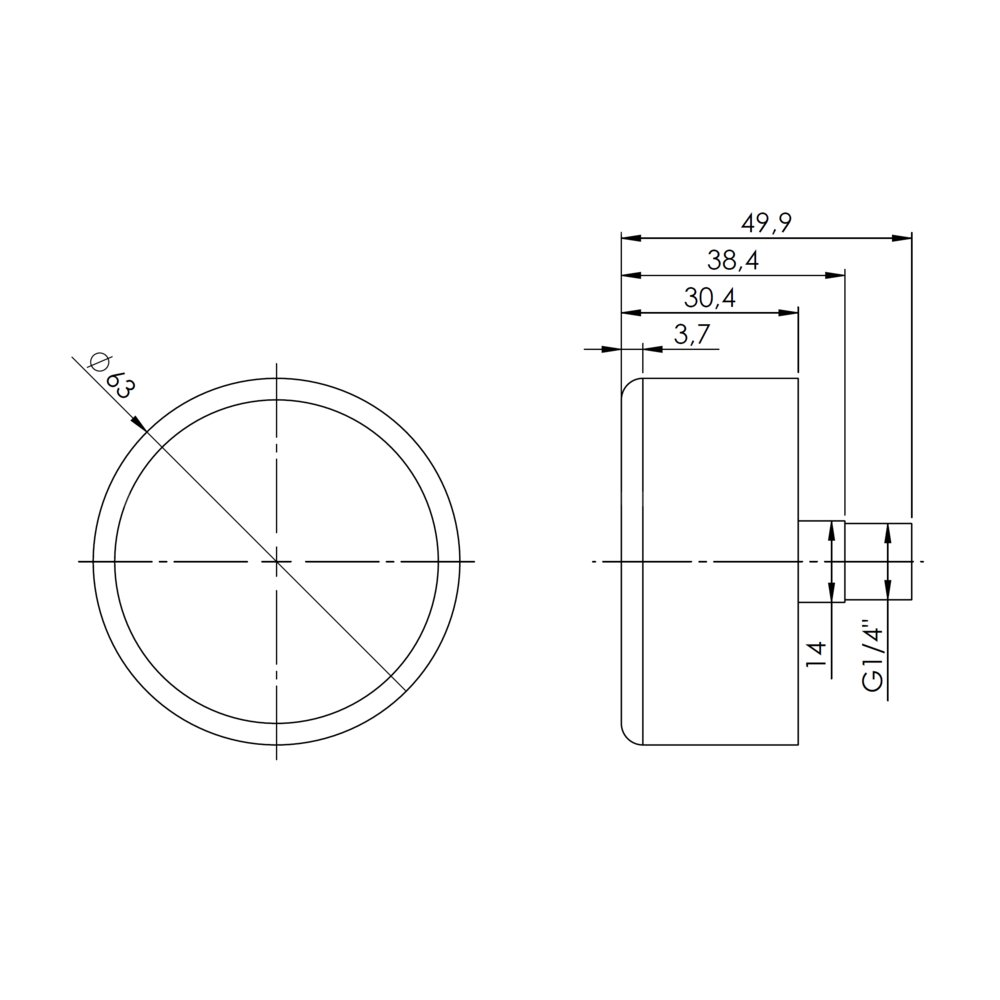
Średnica obudowy [mm]
63
Rozmiar przyłącza procesowego
G3/8B
Miejsce połączenia
aksjalne
Zakres skali (w barach)
0/4
Klasa dokładności wg EN
2.5%
Długość towaru w centymetrach
7
Wysokość towaru w centymetrach
5
Szerokość towaru w centymetrach
7
Strona www producenta
www.afriso.pl
Zapytaj o produkt
Napisz swoją opinię








