Dodaj produkty podając kody
Dodaj plik CSV
Wpisz kody produktów, które chcesz zbiorczo dodać do koszyka (po przecinku, ze spacją lub od nowej linijki).
Powtórzenie wielokrotnie kodu, doda ten towar tyle razy ile razy występuje.
Unikalne cechy produktu:
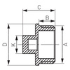
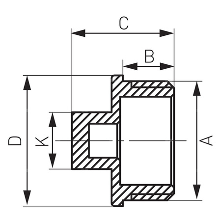
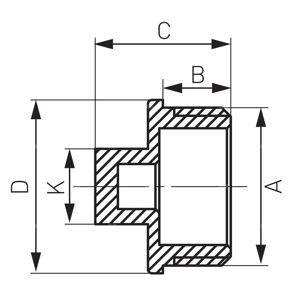
Korek wykonany z mosiądzu wysokogatunkowego CW617N. Maksymalna temperatura pracy 95°C. Maksymalne ciśnienie pracy 10 bar
Dane techniczne:
- Kod kreskowy: opakowanie z kodem kreskowym umożliwiającym sprzedaż detaliczną
- Materiał korpusu/materiał wykonania: mosiądz
- Przyłącze: G1 1/2
- Rodzaj przyłączenia: wkrętny
- Wymiar A: G1 1/2 <
Marka
Kod IK
Symbol
K5KOR7Z
Seria
Rodzaj towaru
Łączniki gwintowane z brązu i mosiądzu
EAN
5902194914482
Kod producenta
KOR7Z
Materiał połączenia 1
Mosiądz
Znamionowa średnica wewnętrzna połączenia 1
6/4''
Połączenie 1
Gwint zewnętrzny
Główny kolor złącza
Żółty
Długość towaru w centymetrach
5.4
Wysokość towaru w centymetrach
2.7
Szerokość towaru w centymetrach
5.8
Strona www producenta
www.ferro.pl
Zapytaj o produkt
Napisz swoją opinię






