Dodaj produkty podając kody
Dodaj plik CSV
Wpisz kody produktów, które chcesz zbiorczo dodać do koszyka (po przecinku, ze spacją lub od nowej linijki).
Powtórzenie wielokrotnie kodu, doda ten towar tyle razy ile razy występuje.
Unikalne cechy produktu:
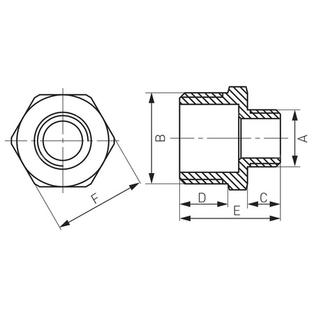
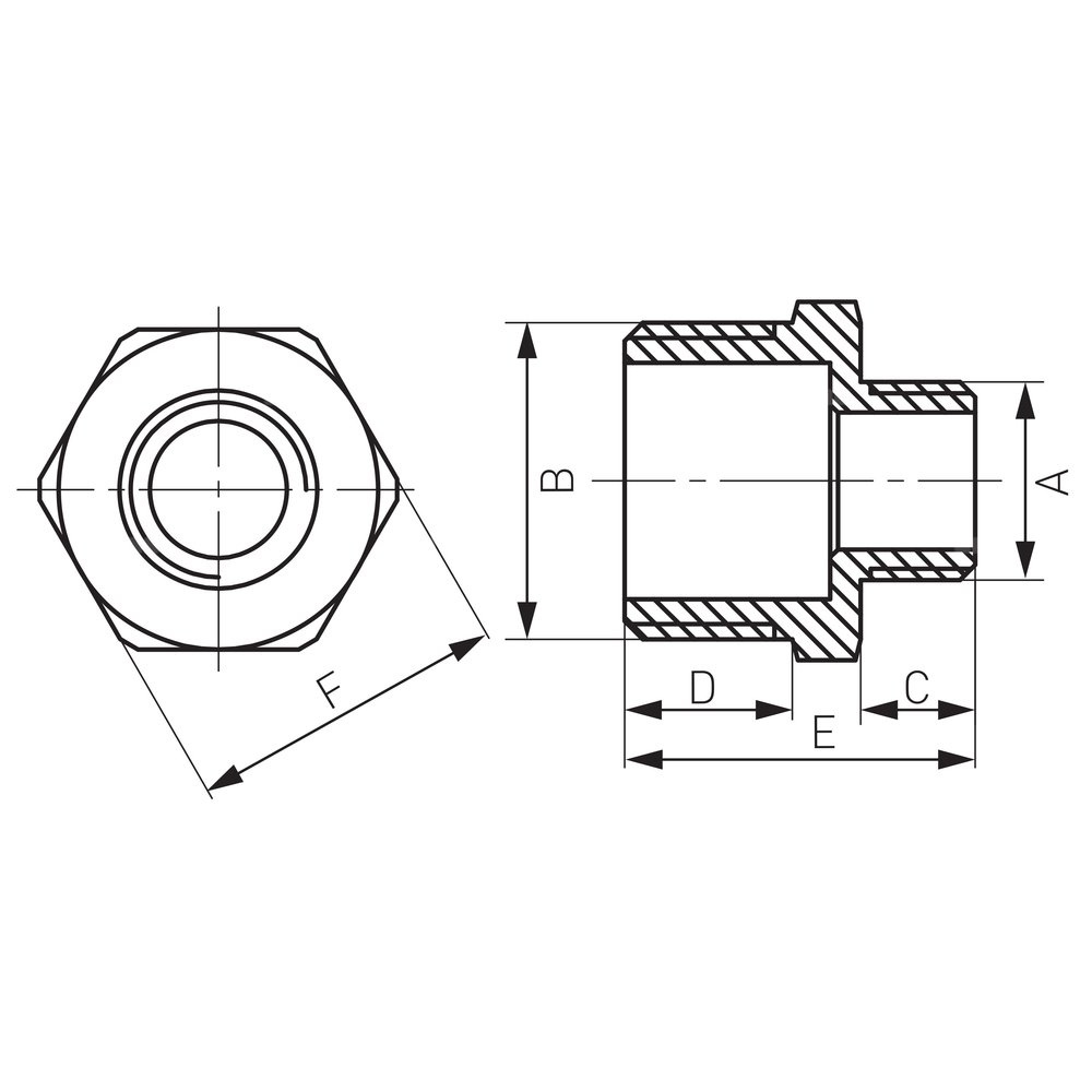
Nypel mosiężny reducyjny wykonany z mosiądzu wysokogatunkowego CW617N. Gwinty zewnętrzne. Maksymalna temperatura pracy 95°C. Maksymalne ciśnienie pracy 10 bar
Dane techniczne:
- Kod kreskowy: opakowanie z kodem kreskowym umożliwiającym sprzedaż detaliczną
- Materiał korpusu/materiał wykonania: mosiądz
- Przyłącze: G3/8
- Rodzaj przyłączenia: wkrętno-wkrętny
Marka
Kod IK
Symbol
K5N11Z
Seria
Rodzaj towaru
Łączniki gwintowane z brązu i mosiądzu
EAN
5902194915878
Kod producenta
N11Z
Materiał połączenia 1
Mosiądz
Model redukcyjny
1
Znamionowa średnica wewnętrzna połączenia 1
1/2''
Połączenie 1
Gwint zewnętrzny
Znamionowa średnica wewnętrzna połączenia 2
3/8''
Połączenie 2
Gwint zewnętrzny
Główny kolor złącza
Żółty
Rodzaj złącza
Nypel
Długość towaru w centymetrach
2.5
Wysokość towaru w centymetrach
2
Szerokość towaru w centymetrach
2.5
Strona www producenta
www.ferro.pl
Zapytaj o produkt
Napisz swoją opinię






