Dodaj produkty podając kody
Dodaj plik CSV
Wpisz kody produktów, które chcesz zbiorczo dodać do koszyka (po przecinku, ze spacją lub od nowej linijki).
Powtórzenie wielokrotnie kodu, doda ten towar tyle razy ile razy występuje.
Unikalne cechy produktu:
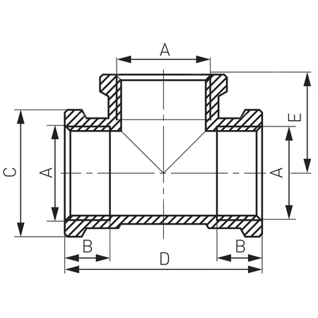
Trójnik wykonany z mosiądzu wysokogatunkowego CW617N. Gwinty żeńskie. Maksymalna temperatura pracy 95°C. Maksymalne ciśnienie 10 bar
Dane techniczne:
- Kod kreskowy: opakowanie z kodem kreskowym umożliwiającym sprzedaż detaliczną
- Materiał korpusu/materiał wykonania: mosiądz
- Przyłącze: G2
- Rodzaj przyłączenia: nakrętno-nakrętno-nakrętny
- Wymiar A: MarkaKod IKSymbolK5T07ZSeriaRodzaj towaruŁączniki gwintowane z brązu i mosiądzuEAN5901095630422Kod producentaT07ZMateriał połączenia 1MosiądzZnamionowa średnica wewnętrzna połączenia 12''Połączenie 1Gwint wewnętrznyZnamionowa średnica wewnętrzna połączenia 22''Połączenie 2Gwint wewnętrznyPołączenie 3Gwint wewnętrznyGłówny kolor złączaŻółtyZnamionowa średnica wewnętrzna połączenia 32''Długość towaru w centymetrach11Wysokość towaru w centymetrach7Szerokość towaru w centymetrach10Strona www producentawww.ferro.plZapytaj o produktNapisz swoją opinię






