Dodaj produkty podając kody
Dodaj plik CSV
Wpisz kody produktów, które chcesz zbiorczo dodać do koszyka (po przecinku, ze spacją lub od nowej linijki).
Powtórzenie wielokrotnie kodu, doda ten towar tyle razy ile razy występuje.
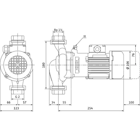
Pompa obiegowa WILO VeroLine-IPL 30/80-0,12/2 typu in-line z silnikiem znormalizowanym 50 Hz, moc silnika 0.12kW 0.33 A 2780 obr/min, wlot GZGW 2''
Przyłącza kołnierzowe z przyłączami pomiarowymi ciśnienia R 1/8. Korpus pompy i latarnia z powłoką kataforetyczną.
Dane eksploatacyjne
*temperatura przetłaczanej cieczy: -20 oC
*temperatura otoczenia: -15 oC
*Maks. ciśnienie robocze: 10 bar
*Wskaźnik minimalnej energochłonności (MEI): 0,4
Dane silnika
*Klasa sprawności energetycznej silnika:
*Przyłącze sieciowe:
*Tolerancja napięcia:
*Moc znamionowa : 120
*Znamionowa prędkość obrotowa: 2780 Obroty / min
*Prąd znamionowy: 0,33 A
*Współczynnik mocy: 0,75
*Sprawność silnika ηm 50 %: 66,3
*Sprawność silnika ηm 75 %: 72,2
*Sprawność silnika ηm 100 %: 64
*Klasa izolacji: F
*Stopień ochrony:
Materiały
*Korpus pompy: EN-GJL-250
*Wirnik:
*Wał: Stal nierdzewna
*Uszczelnienie wału: AQ1EGG
*Latarnia: EN-GJL-250
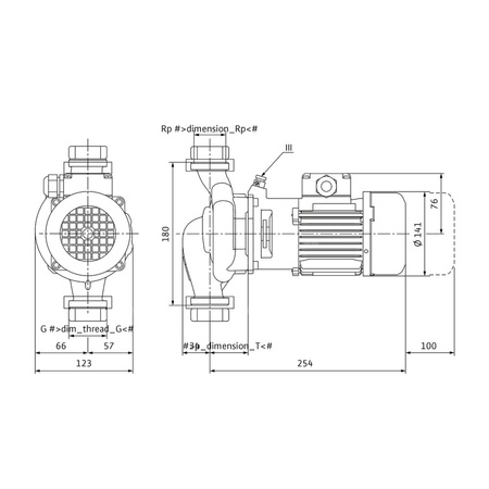
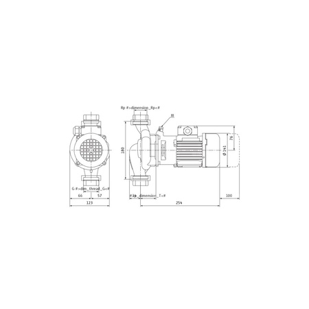
Wymiary montażowe
*Przyłącze gwintowane po stronie ssawnej: G 2
*Przyłącze gwintowane po stronie tłocznej: G 2
*Długość montażowa: 180 mm
Informacje na temat umiejscowienia zamówień
*Produkt:
*Nazwa produktu: VeroLine-IPL 30/80-0,12/2
*Masa netto ok.: 7 kg
*Numer artykułu: 2089574
Marka
Kod IK
Symbol
812089574
Rodzaj towaru
Pompy do wody użytkowej
EAN
4016322990031
Kod producenta
2089574
Prąd znamionowy [A]
0.33
Długość wbudowania [mm]
180
Moc oddawana silnika (P2) [kW]
0.12
Prędkość obrotowa [obr/min]
2780
Częstotliwość
50 Hz
Stopień ochrony (IP)
IP55
Klasa izolacji wg IEC
F
Liczba faz
3
Zakres napięcia znamionowego [V]
400
Maks. ciśnienie robocze [bar]
10
Średnica zewnętrzna przyłącza od strony wylotowej [mm]
50
Maks. wydajność (maks. przepływ) [m³/h]
7.512
Maks. wysokość podnoszenia [m]
6.641
Przepływ nominalny (BEP) [m³/h]
4.203
Wysokość podnoszenia przy przepływie nominalnym (BEP) [kPa]
49.2
Wskaźnik minimalnej sprawności (MEI)
0.4
Silnik standardowy
1
Materiał korpusu pompy
Żeliwo
Gatunek materiału korpusu pompy
Żeliwo GG 25
Materiał wirnika
Polipropylen
Gatunek materiału wirnika
PP-GF
Przyłącze od strony wlotowej
Gwint zewnętrzny gazowy walcowy
Średnica nominalna przyłącza od strony wlotowej
2''
Klasa ciśnienia kołnierza przyłącza wlotowego
PN 10
Rodzaj przyłącza wlotowego
ISO 228-1
Przyłącze po stronie wylotowej
Gwint zewnętrzny gazowy walcowy
Średnica nominalna przyłącza od strony wylotowej
2 cale
Klasa ciśnienia kołnierza przyłącza wylotowego
PN 10
Rodzaj przyłącza wylotowego
ISO 228-1
Kształt końcówki
Okrągły
Klasa efektywności energetycznej silnika
IE2
Długość towaru w centymetrach
18
Wysokość towaru w centymetrach
23
Szerokość towaru w centymetrach
36.5
Strona www producenta
www.wilo.pl
Zapytaj o produkt
Napisz swoją opinię











