Dodaj produkty podając kody
Dodaj plik CSV
Wpisz kody produktów, które chcesz zbiorczo dodać do koszyka (po przecinku, ze spacją lub od nowej linijki).
Powtórzenie wielokrotnie kodu, doda ten towar tyle razy ile razy występuje.
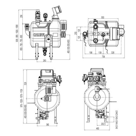
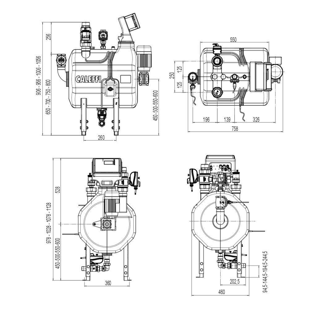
Korpus i wsporniki ze stali nierdzewnej AISI 304.
Przyłącza:
zasilanie 2" GZ ze złączką,
wylot 2" GW,
spust 1" GZ ze złączką,
płukanie 1 GW.
Maks. ciśnienie pracy: 10 bar
Zakres temperatury pracy: 5÷85 °C.
Zasilanie elektryczne: 230 V.
Zdolność separacji cząstek: powyżej 2 µm.
Możliwość dozowania dodatków chemicznych.
Przygotowany do współpracy z MODBUS-RTU.
PATENT PENDING.
PRZED ZAMÓWIENIEMNALEŻY SPRAWDZIĆ DOSTĘPNE WERSJE JĘZYKOWE OPROGRAMOWANIA ORAZ INSTRUKCJI OBSŁUGI.
Marka
Symbol
ZZ579000
Rodzaj towaru
Zabezpieczenie instalacji
EAN
8016615599589
Kod producenta
579000
Maksymalna temperatura medium [°C]
85
Maks. ciśnienie robocze [bar]
10
Z magnesem
1
Strona www producenta
www.caleffi.com/poland/pl
Zapytaj o produkt
Napisz swoją opinię









