Dodaj produkty podając kody
Dodaj plik CSV
Wpisz kody produktów, które chcesz zbiorczo dodać do koszyka (po przecinku, ze spacją lub od nowej linijki).
Powtórzenie wielokrotnie kodu, doda ten towar tyle razy ile razy występuje.
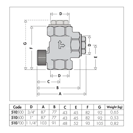
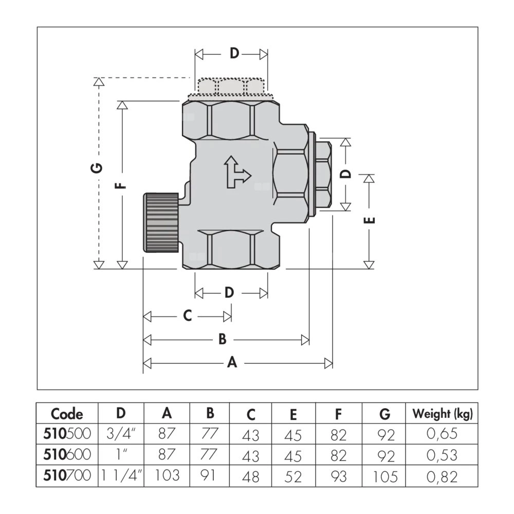
Zawór zwrotny zapobiegający cyrkulacji grawitacyjnej Możliwość instalacji prostej lub kątowej Przyłącze: G 1" (ISO 228-1) GW. Maksymalne ciśnienie pracy: 10 bar. Zakres temperatury medium: 5–110 °C.
Zapytaj o produkt
Napisz swoją opinię








