Dodaj produkty podając kody
Dodaj plik CSV
Wpisz kody produktów, które chcesz zbiorczo dodać do koszyka (po przecinku, ze spacją lub od nowej linijki).
Powtórzenie wielokrotnie kodu, doda ten towar tyle razy ile razy występuje.
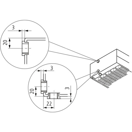
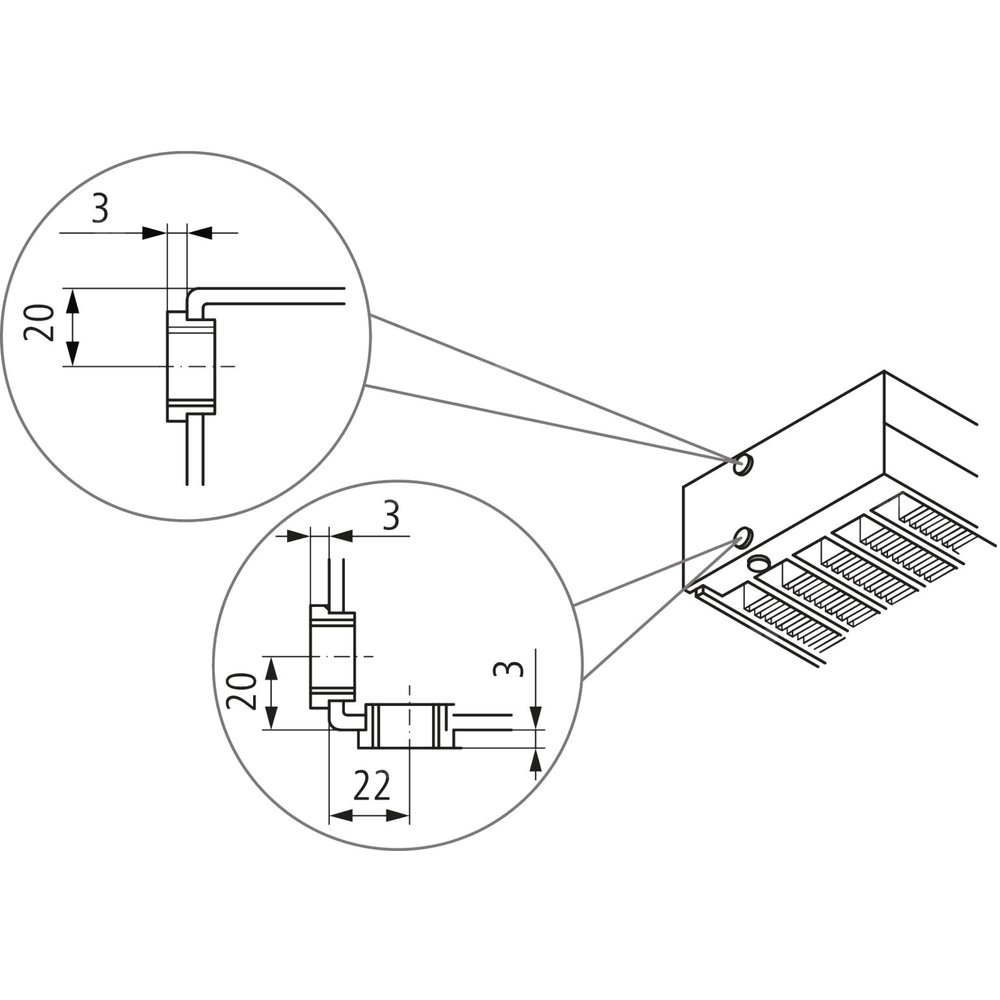
Typ KSV to elegancki konwektor zaworowy z wbudowanym ekranem przeciw wypromieniowaniu ciepła – skuteczny sposób na zminimalizowanie strat ciepła spowodowanych dużymi powierzchniami oszklonymi.
Specjalna osłona przeciw wypromieniowaniu ciepła montowana jest na tylnej ścianie konwektora. Uniemożliwia ona promieniowanie ciepłego powietrza w stronę przeszklonej powierzchni i dzięki temu zmniejsza stratę ciepła aż do 80%.
Marka
Kod IK
Symbol
29KSV330074402R2K
Seria
Rodzaj towaru
Grzejniki klimakonwektorowe
EAN
4051487096006
Kod producenta
KSV330074402R2K
Długość towaru w centymetrach
450
Wysokość towaru w centymetrach
8.5
Szerokość towaru w centymetrach
21.9
Strona www producenta
www.kermi.pl
Zapytaj o produkt
Napisz swoją opinię











