Dodaj produkty podając kody
Dodaj plik CSV
Wpisz kody produktów, które chcesz zbiorczo dodać do koszyka (po przecinku, ze spacją lub od nowej linijki).
Powtórzenie wielokrotnie kodu, doda ten towar tyle razy ile razy występuje.
Marka
Symbol
29KNV210071602R1K
Seria
Rodzaj towaru
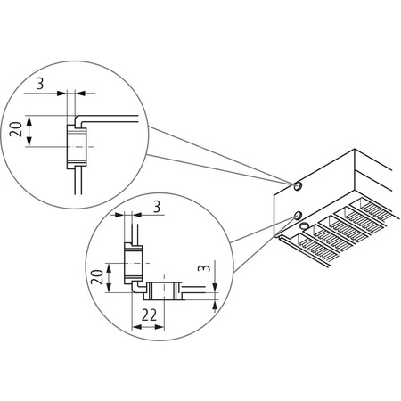
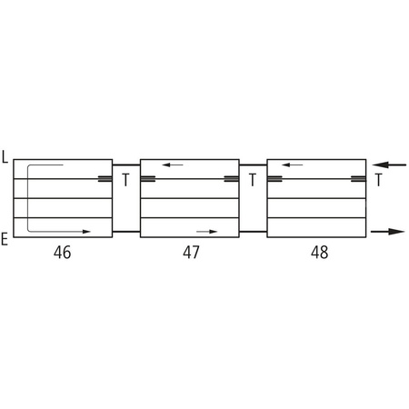
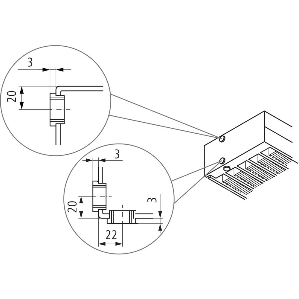
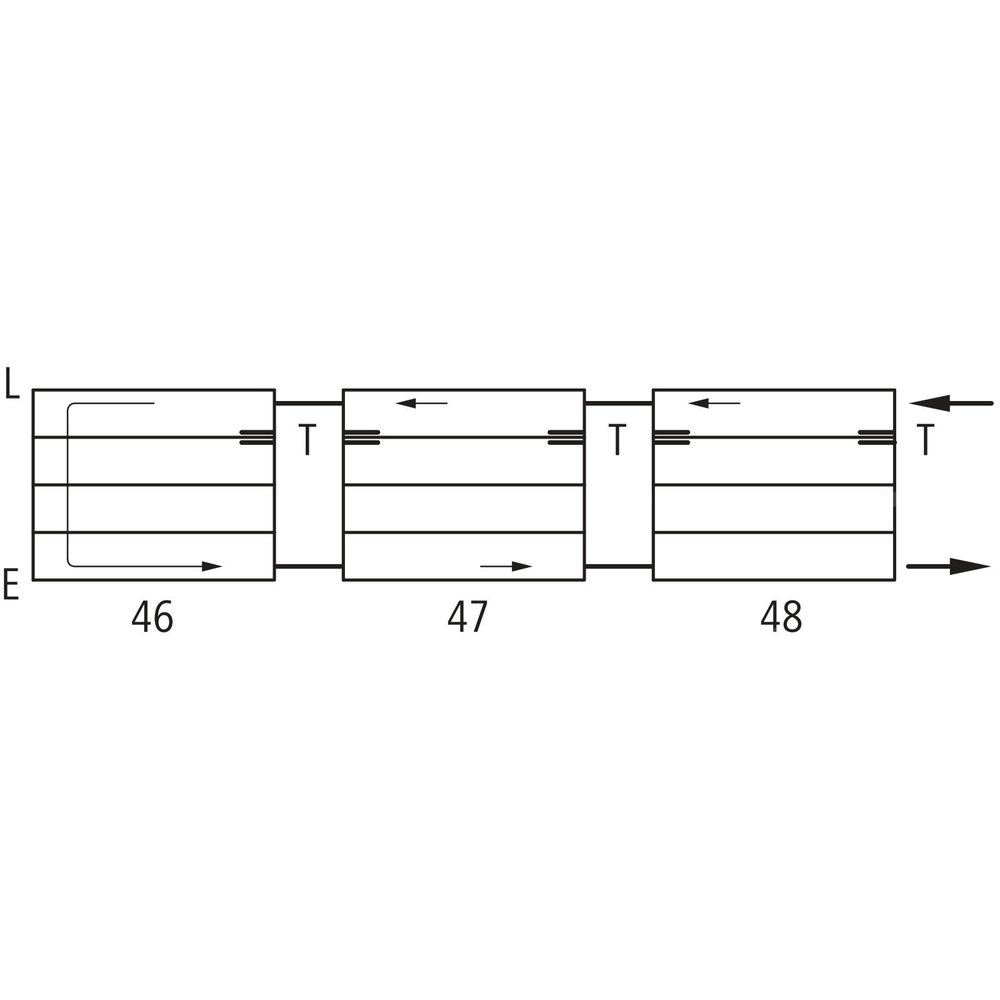
Grzejniki klimakonwektorowe
EAN
4051487193736
Kod producenta
KNV210071602R1K
Długość towaru w centymetrach
170
Wysokość towaru w centymetrach
8.5
Szerokość towaru w centymetrach
9.7
Strona www producenta
www.kermi.pl
Zapytaj o produkt
Napisz swoją opinię












