Dodaj produkty podając kody
Dodaj plik CSV
Wpisz kody produktów, które chcesz zbiorczo dodać do koszyka (po przecinku, ze spacją lub od nowej linijki).
Powtórzenie wielokrotnie kodu, doda ten towar tyle razy ile razy występuje.
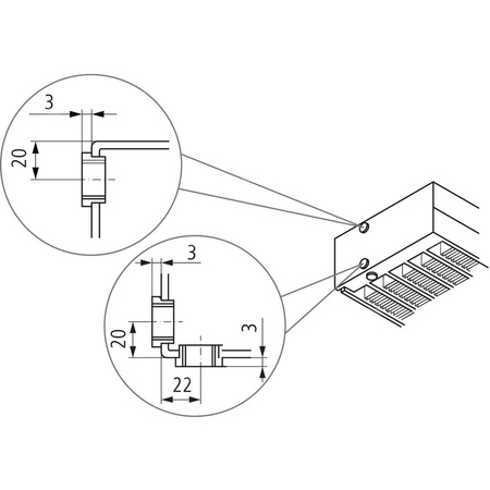
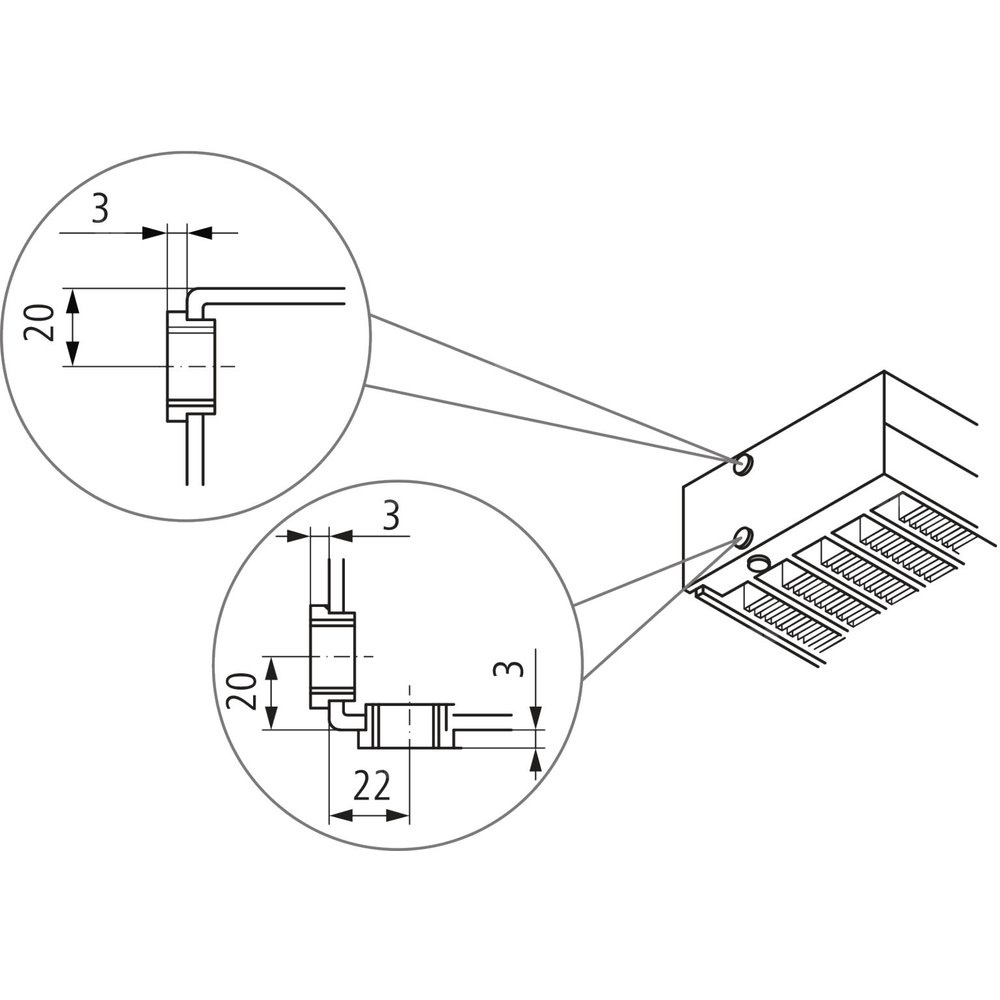
Marka
Symbol
29KNV430141802R2K
Seria
Rodzaj towaru
Grzejniki klimakonwektorowe
EAN
4051487202766
Kod producenta
KNV430141802R2K
Długość towaru w centymetrach
190
Wysokość towaru w centymetrach
15.5
Szerokość towaru w centymetrach
21.9
Strona www producenta
www.kermi.pl
Zapytaj o produkt
Napisz swoją opinię












