Dodaj produkty podając kody
Dodaj plik CSV
Wpisz kody produktów, które chcesz zbiorczo dodać do koszyka (po przecinku, ze spacją lub od nowej linijki).
Powtórzenie wielokrotnie kodu, doda ten towar tyle razy ile razy występuje.
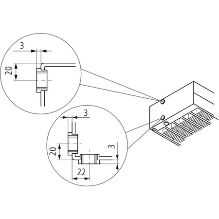
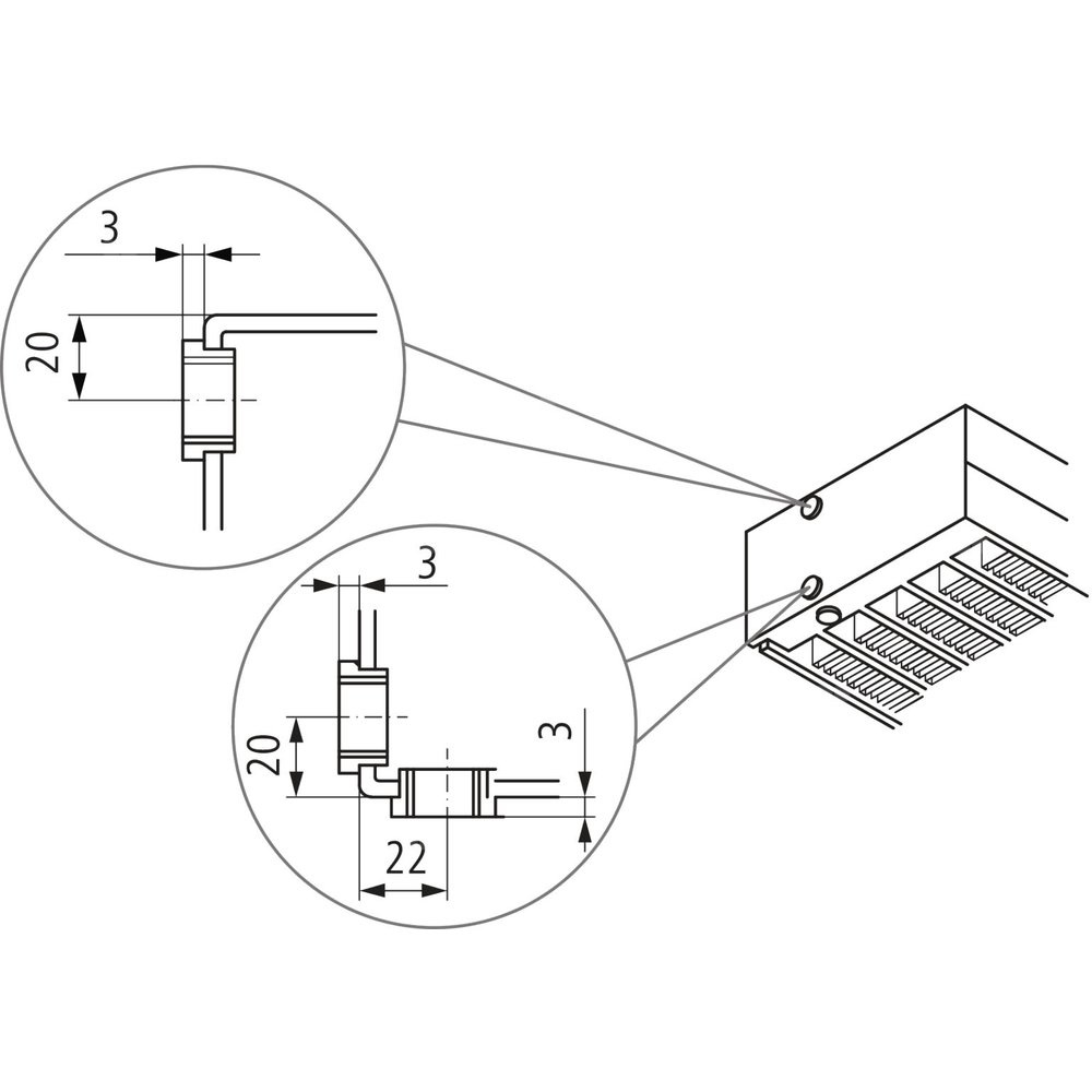
Marka
Symbol
29KNV540142202R2K
Seria
Rodzaj towaru
Grzejniki klimakonwektorowe
EAN
4051487204982
Kod producenta
KNV540142202R2K
Długość towaru w centymetrach
230
Wysokość towaru w centymetrach
15.5
Szerokość towaru w centymetrach
28
Strona www producenta
www.kermi.pl
Zapytaj o produkt
Napisz swoją opinię












