Dodaj produkty podając kody
Dodaj plik CSV
Wpisz kody produktów, które chcesz zbiorczo dodać do koszyka (po przecinku, ze spacją lub od nowej linijki).
Powtórzenie wielokrotnie kodu, doda ten towar tyle razy ile razy występuje.
Marka
Kod IK
Symbol
814244402
Rodzaj towaru
Pompy i grupy pompowe do c.o. i c.w.u.
EAN
4062679126142
Kod producenta
4244402
Prąd znamionowy [A]
0.44
Pobór mocy silnika (P1) [W]
0.04
Pobór mocy przez pompę (solpump) [W]
40
Pobór mocy przez pompę w trybie czuwania (solstandbypump) [W]
3
Materiał wirnika
Polipropylen
Częstotliwość
50/60 Hz
Stopień ochrony (IP)
IPX4D
Klasa izolacji wg IEC
F
Regulacja obrotów silnika
Wbudowany
Liczba faz
1
Zakres napięcia znamionowego [V]
230
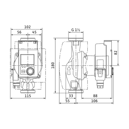
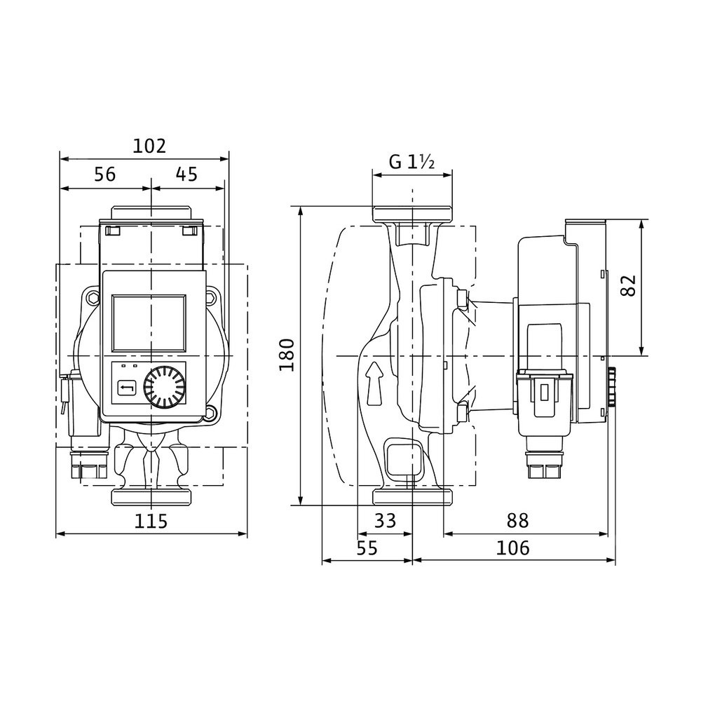
Maks. ciśnienie robocze [bar]
10
Średnica zewnętrzna przyłącza od strony wylotowej [mm]
40
Maks. wydajność (maks. przepływ) [m³/h]
3.701
Maks. wysokość podnoszenia [m]
5.113
Materiał korpusu pompy
Stal nierdzewna
Gatunek materiału korpusu pompy
Stal odlewana 1.0625
Gatunek materiału wirnika
PP-GF
Przyłącze od strony wlotowej
Gwint zewnętrzny gazowy walcowy
Średnica nominalna przyłącza od strony wlotowej
1 1/2 cala
Klasa ciśnienia kołnierza przyłącza wlotowego
PN 10
Rodzaj przyłącza wlotowego
ISO 228-1
Przyłącze po stronie wylotowej
Gwint zewnętrzny gazowy walcowy
Średnica nominalna przyłącza od strony wylotowej
1 1/2 cala
Klasa ciśnienia kołnierza przyłącza wylotowego
PN 10
Rodzaj przyłącza wylotowego
ISO 228-1
Kształt końcówki
Inne
Strona www producenta
www.wilo.pl
Zapytaj o produkt
Napisz swoją opinię









