Dodaj produkty podając kody
Dodaj plik CSV
Wpisz kody produktów, które chcesz zbiorczo dodać do koszyka (po przecinku, ze spacją lub od nowej linijki).
Powtórzenie wielokrotnie kodu, doda ten towar tyle razy ile razy występuje.
Możliwość zastosowania w instalacjach cyrkulacyjnych ciepłej wody użytkowej do zastosowań w przemyśle i technice budynków.
Niewymagająca konserwacji, bezdławnicowa pompa obiegowa z przyłączem gwintowanym lub kołnierzowym, możliwość wyboru stopnia prędkości obrotowej w celu dopasowania wydajności
Wyposażenie i funkcje
*Ręczne dostosowanie wydajności pompy poprzez wybór 3 stopni prędkości obrotowej
*Pompy z silnikiem 1~:
**P2 do 90 W: Wewnętrzne zabezpieczenie przed niedopuszczalnie wysokimi temperaturami uzwojenia
**P2 ≥ 180 W: Pełne zabezpieczenie silnika zapewnione przez styki ochronne uzwojenia w połączeniu z urządzeniem wyzwalającym (opcja: SK 602N/SK 622N)
*Pompy z silnikiem 3~:
**P2 do 90 W: Wewnętrzne zabezpieczenie przed niedopuszczalnie wysokimi temperaturami uzwojenia
**P2 ≥ 180 W: Pełne zabezpieczenie silnika zapewnione przez styki ochronne uzwojenia w połączeniu z urządzeniem wyzwalającym (opcja: SK 602N/SK 622N)
*Napięcie zasilania 3~230 V z opcjonalną wtyczką przełączającą
*Korpus pompy z brązu lub żeliwa szarego (stal nierdzewna w zależności od typu)
*Kołnierz kombinowany PN 6/PN 10 (dla DN 40 do DN 65)
*Pokrywy izolacji termicznej
Dane eksploatacyjne
*temperatura przetłaczanej cieczy: -20 oC
*temperatura otoczenia: 0 oC
*Maks. ciśnienie robocze: 10 bar
*Max. dozwolona twardość całkowita w systemach cyrkulacyjnych ciepłej wody użytkowej: 3,57 mmol/l (20 odH) (3,21 mmol/l (18 odH) dla 20/4 + 25/6)
Dane silnika
*Generowanie zakłóceń:
*Odporność na zakłócenia:
*Przyłącze sieciowe:
*Pobór mocy: 310
*Prędkość obrotowa maks.: 2700 Obroty / min
*Prąd znamionowy: 0,77 A
*Stopień ochrony silnika:
*Dławik przewodu:
Materiały
*Korpus pompy:
*Wirnik:
*Wał: Stal nierdzewna
*Materiał łożysk: Węgiel spiekany, impregnowany żywicą
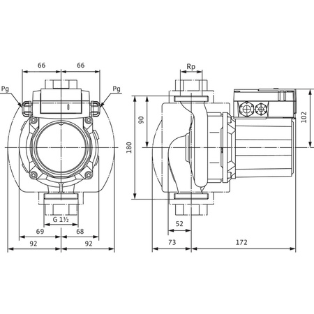
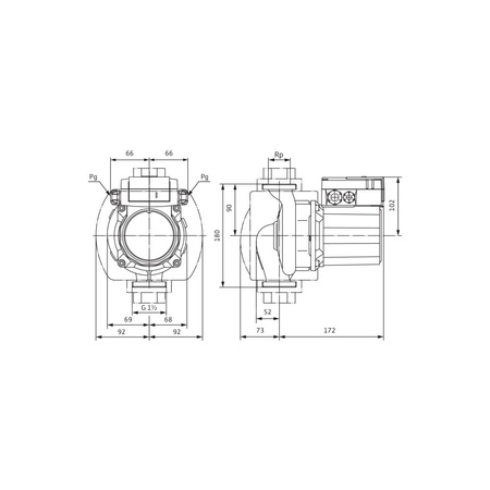
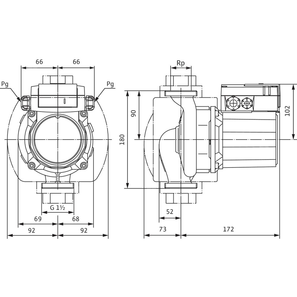
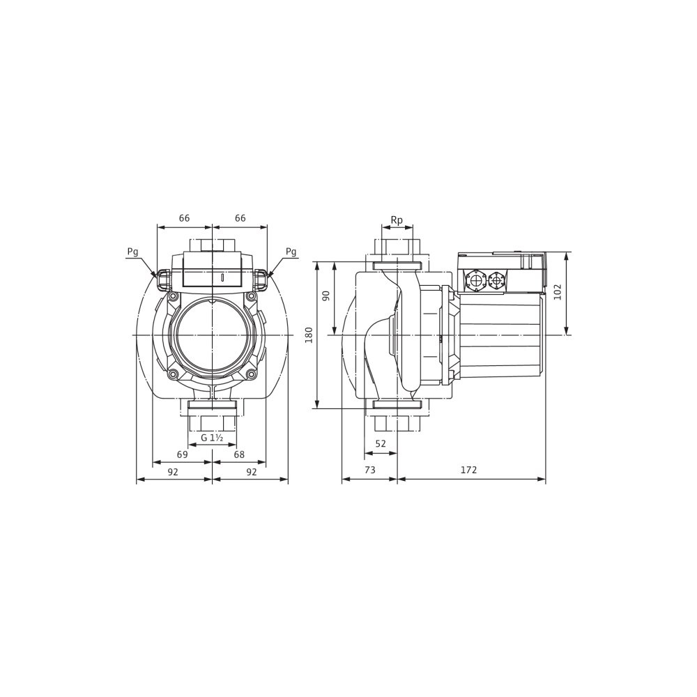
Wymiary montażowe
*Przyłącze gwintowane po stronie ssawnej: G 11/2
*Przyłącze gwintowane po stronie tłocznej: G 11/2
*Długość montażowa: 180 mm
Informacje na temat umiejscowienia zamówień
*Produkt:
*Nazwa produktu: TOP-Z 25/10 (3~400 V, PN 10, RG)
*Masa netto ok.: 6,7 kg
*Numer artykułu: 2175509
Marka
Symbol
812175509
Rodzaj towaru
Pompy i grupy pompowe do c.o. i c.w.u.
EAN
4048482742632
Kod producenta
2175509
Prąd znamionowy [A]
0.77
Prędkość obrotowa [obr/min]
2900
Pobór mocy silnika (P1) [W]
0.31
Pobór mocy przez pompę (solpump) [W]
310
Pobór mocy przez pompę w trybie czuwania (solstandbypump) [W]
100
Materiał wirnika
Polipropylen
Częstotliwość
50 Hz
Stopień ochrony (IP)
IPX4D
Klasa izolacji wg IEC
H
Liczba faz
3
Temperatura otoczenia [°C]
40
Zakres napięcia znamionowego [V]
400
Maks. ciśnienie robocze [bar]
10
Średnia temperatura (praca ciągła) [°C]
80
Średnica zewnętrzna przyłącza od strony wylotowej [mm]
40
Maks. wydajność (maks. przepływ) [m³/h]
9.5
Maks. wysokość podnoszenia [m]
9.282
Przepływ nominalny (BEP) [m³/h]
3.97
Wysokość podnoszenia przy przepływie nominalnym (BEP) [kPa]
73.95
Materiał korpusu pompy
Brąz
Gatunek materiału korpusu pompy
Brąz
Gatunek materiału wirnika
PP-GF
Przyłącze od strony wlotowej
Gwint zewnętrzny gazowy walcowy
Średnica nominalna przyłącza od strony wlotowej
1 1/2 cala
Klasa ciśnienia kołnierza przyłącza wlotowego
PN 10
Rodzaj przyłącza wlotowego
ISO 228-1
Przyłącze po stronie wylotowej
Gwint zewnętrzny gazowy walcowy
Średnica nominalna przyłącza od strony wylotowej
1 1/2 cala
Klasa ciśnienia kołnierza przyłącza wylotowego
PN 10
Rodzaj przyłącza wylotowego
ISO 228-1
Kształt końcówki
Inne
Długość towaru w centymetrach
17.8
Wysokość towaru w centymetrach
21.5
Szerokość towaru w centymetrach
27
Strona www producenta
www.wilo.pl
Zapytaj o produkt
Napisz swoją opinię









