Dodaj produkty podając kody
Dodaj plik CSV
Wpisz kody produktów, które chcesz zbiorczo dodać do koszyka (po przecinku, ze spacją lub od nowej linijki).
Powtórzenie wielokrotnie kodu, doda ten towar tyle razy ile razy występuje.
Unikalne cechy produktu:
Charakterystyka:
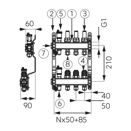
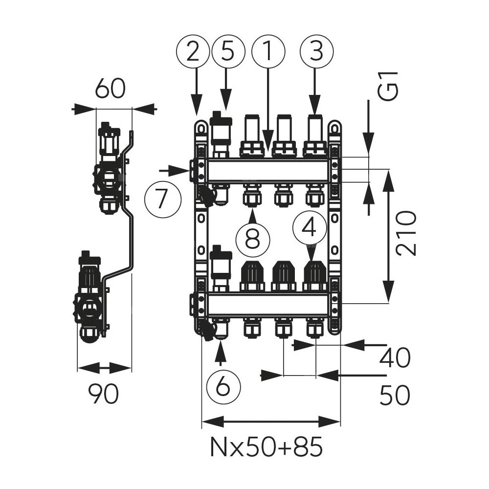
Rozdzielacze są elementem systemu centralnego ogrzewania, który rozprowadza (rozdziela) czynnik grzewczy na poszczególne odcinki instalacji grzewczej.
Znajdują zastosowanie w instalacjach grzejnikowych ogrzewania i chłodzenia płaszczyznowego oraz układach mieszanych.
Umożliwiają precyzyjną regulację instalacji i niezawodną pracę całego systemu ogrzewania.
Zalety rozdzielaczy:
- WysoMarkaKod IKSymbolK5SN-RZP05SSeriaRodzaj towaruRozdzielaczeEAN5902194959971Kod producentaSN-RZP05SDługość towaru w centymetrach40Wysokość towaru w centymetrach11Szerokość towaru w centymetrach39Strona www producentawww.ferro.plZapytaj o produktNapisz swoją opinię






