Dodaj produkty podając kody
Dodaj plik CSV
Wpisz kody produktów, które chcesz zbiorczo dodać do koszyka (po przecinku, ze spacją lub od nowej linijki).
Powtórzenie wielokrotnie kodu, doda ten towar tyle razy ile razy występuje.
KESSEL Zawór przeciwzalewowy Staufix, wielkość nominalna (DN) 200, ścieków Ścieki bez fekaliów, zamknięcie pokrywy Zamknięcie obsługiwane jedną ręką, swobodny przewód kanalizacyjny, typ pokrywy pokrywa zamykająca, nie
- Opcjonalna klapa do ochrony przed gryzoniami dla dodatkowego bezpieczeństwa
- Elastyczna zabudowa, dostępne różne pokrywy przy zabudowie w płycie podłogowej
- Alternatywnie dostępny również jako zestaw modułowy
Zawór przeciwzalewowy Staufix DN 200, swobodny, Typ 2
Zawór przeciwzalewowy do ścieków bez fekaliów jest wyposażony w dwie klapy mechaniczne, które samoczynnie zamykają się podczas przepływu zwrotnego. Jedna klapa zwrotna służy jednocześnie jako ręczne zamykanie awaryjne. Modułowy system elementów KESSEL pozwala na bezproblemowe przezbrojenie istniejących urządzeń w zawór przeciwzalewowy StaufixControl.
Wersja
- Klapa ze stali nierdzewnej jako ochrona przed gryzoniami: nie
- Zamknięcie awaryjne: tak
- Mechaniczne klapy zwrotne: 2
Cechy ogólne
- Kolor: czarny
- Norma: EN 13564
- Wielkość nominalna (DN): 200
- Średnica zewnętrzna (DA): 200 mm
- Wskazówka dotycząca wielkości nominalnej: hydraulicznie odpowiada DN 150
- Typ ścieków: Ścieki bez fekaliów
- Sposób zabudowy: swobodny przewód kanalizacyjny
- Stan w momencie dostawy: gotowy do instalacji
- Ochrona przeciwzalewowa: Typ 2
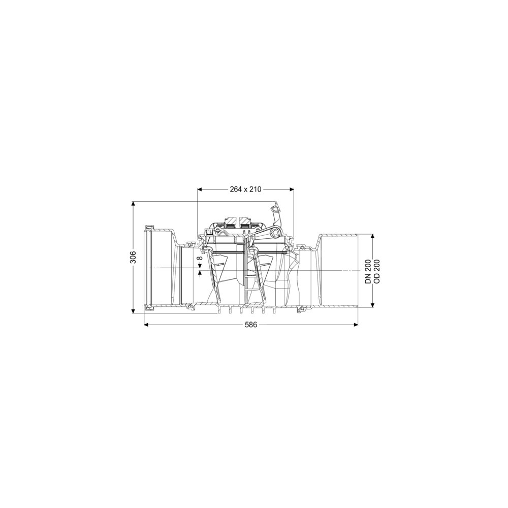
Wymiary
- Ciężar netto: 3,75 kg
- Ciężar brutto: 4,66 kg
- Spadek: 8 mm
- Długość: 586 mm
- Szerokość: 233 mm
- Wysokość: 306 mm
- Wymiar opakowania: dł.: 524 mm
- Wymiar opakowania: szer.: 222 mm
- Wymiar opakowania: wys.: 26 mm
Cechy pokrywy
- Typ pokrywy: pokrywa zamykająca
- Blokada pokrywy: Zamknięcie obsługiwane jedną ręką
Marka
Symbol
HG730200
Rodzaj towaru
Armatura regulacyjna
EAN
4026092076538
Kod producenta
730200
Długość towaru w centymetrach
60
Wysokość towaru w centymetrach
24
Szerokość towaru w centymetrach
29
Strona www producenta
www.kessel.pl
Zapytaj o produkt
Napisz swoją opinię






