Dodaj produkty podając kody
Dodaj plik CSV
Wpisz kody produktów, które chcesz zbiorczo dodać do koszyka (po przecinku, ze spacją lub od nowej linijki).
Powtórzenie wielokrotnie kodu, doda ten towar tyle razy ile razy występuje.
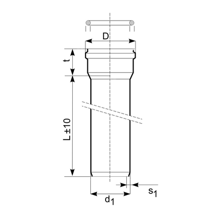
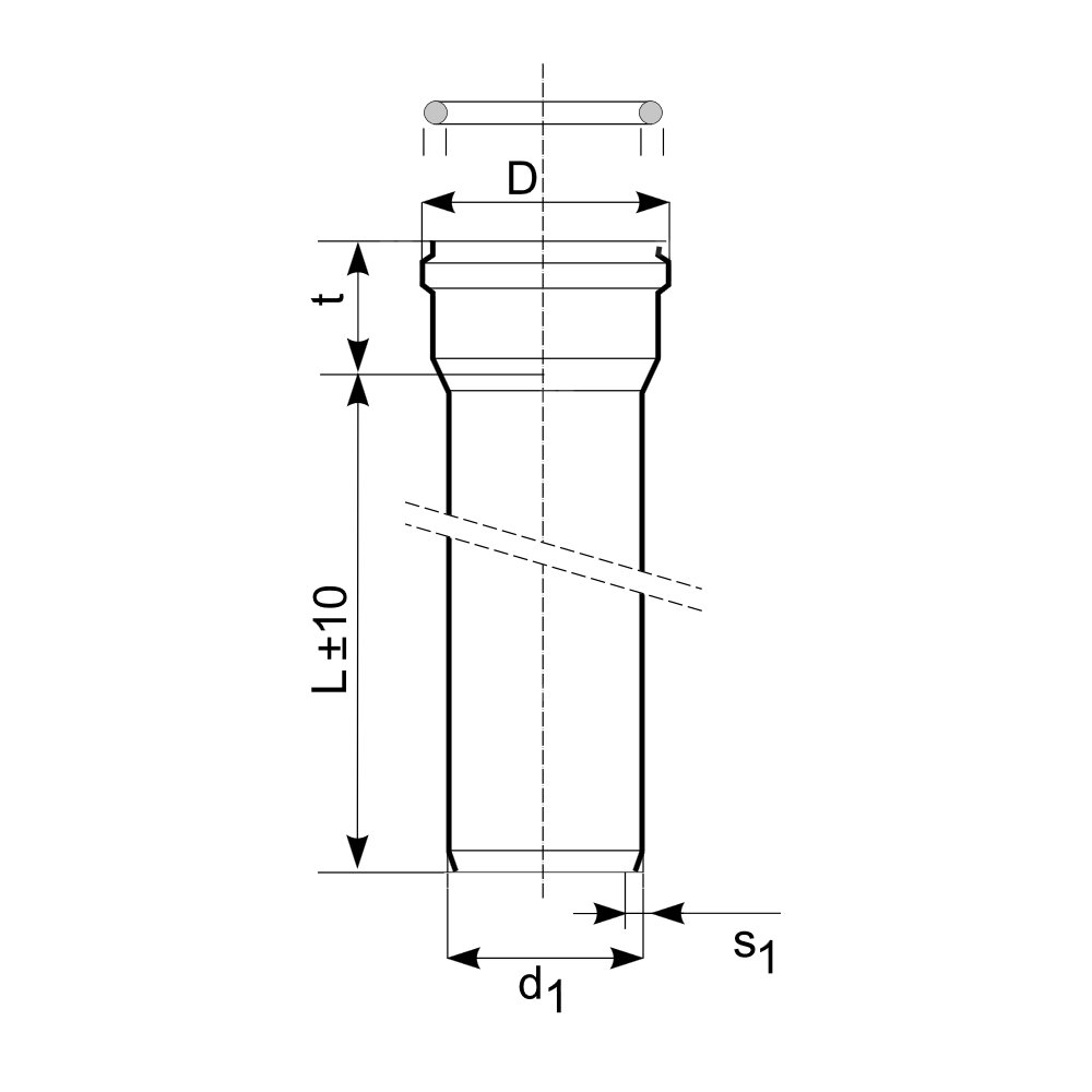
Rura kanalizacyjna zewnętrzna pvc-u MAGNAPLAST KGEL 315 x 2000 x 9.2 z kielichem lita pomarańczowa, klasa C - SN 8
KG to system rur i kształtek kanalizacyjnych stworzony do przesyłania ścieków bytowo-gospodarczych i wód deszczowych. Bezciśnieniowe przewody stanowią jedną z najważniejszych instalacji infrastruktury podziemnej. Dlatego ważne jest by stosować takie rozwiązania, które pozwalają osiągnąć jak najlepszą jakość inwestycji przy jak najmniejszym jej koszcie.
Marka
Kod IK
Symbol
62225025
Rodzaj towaru
Rury do kanalizacji zewnętrznej z PP
EAN
4052836953872
Kod producenta
225025
Grubość ściany [mm]
9.2
Średnica zewnętrzna rury [mm]
315
Z mufą
1
Gatunek materiału
PVC-U
Kolor rury
Pomarańczowy
Długość [mm]
2000
Z litym rdzeniem
1
Klasa twardośći
C - SN 8
Strona www producenta
www.magnaplast.pl
Zapytaj o produkt
Napisz swoją opinię






